|
加入收藏
|
设为首页
|
反馈留言
翔宇首页
关于翔宇
公司介绍
企业文化
企业资质
企业荣誉
技术研发
领导关怀
产品展示
再生金属
再生塑料
脂塑
环境服务
固体废物处置
危险废物处置
公司新闻
产业政策
媒体新闻
公司公告
加入翔宇
人才理念
招聘信息
联系我们
在线回收
您的当前位置 > 翔宇首页 >>
公司新闻
>>
公司公告
公司新闻
产业政策
媒体新闻
公司公告
公司公告
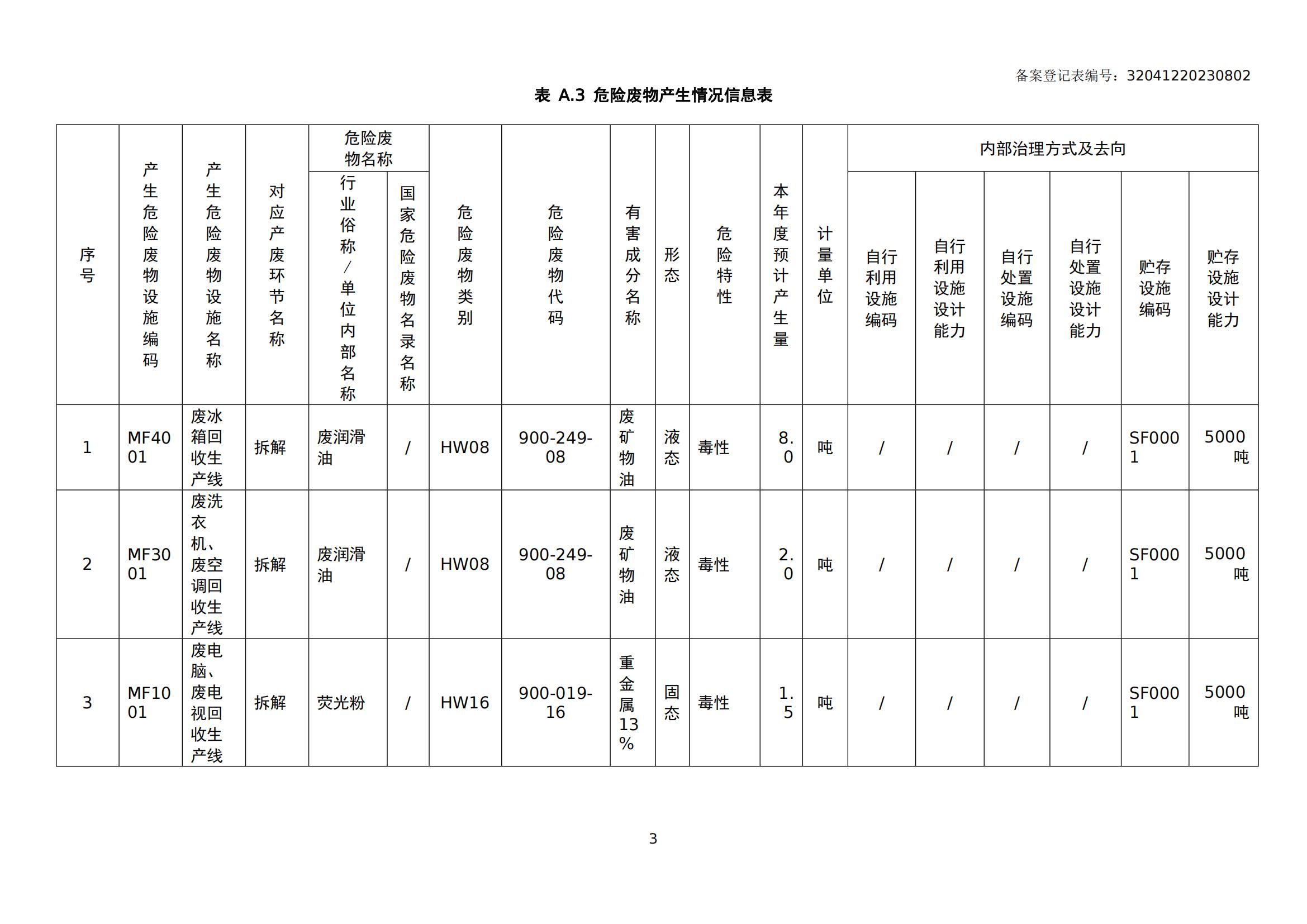
常州翔宇资源再生科技有限公司2023年危险废物管理计划
发布时间:2023-04-03 14:07:15 点击次数:
上一条:
常州翔宇资源再生科技有限公司2022年环境监测结果公示
下一条:暂无记录!