|
加入收藏
|
设为首页
|
反馈留言
翔宇首页
关于翔宇
公司介绍
企业文化
领导关怀
公司新闻
产业政策
媒体新闻
公司公告
加入翔宇
人才理念
招聘信息
联系我们
在线回收
您的当前位置 > 翔宇首页 >>
公司新闻
>>
公司公告
公司新闻
产业政策
媒体新闻
公司公告
公司公告
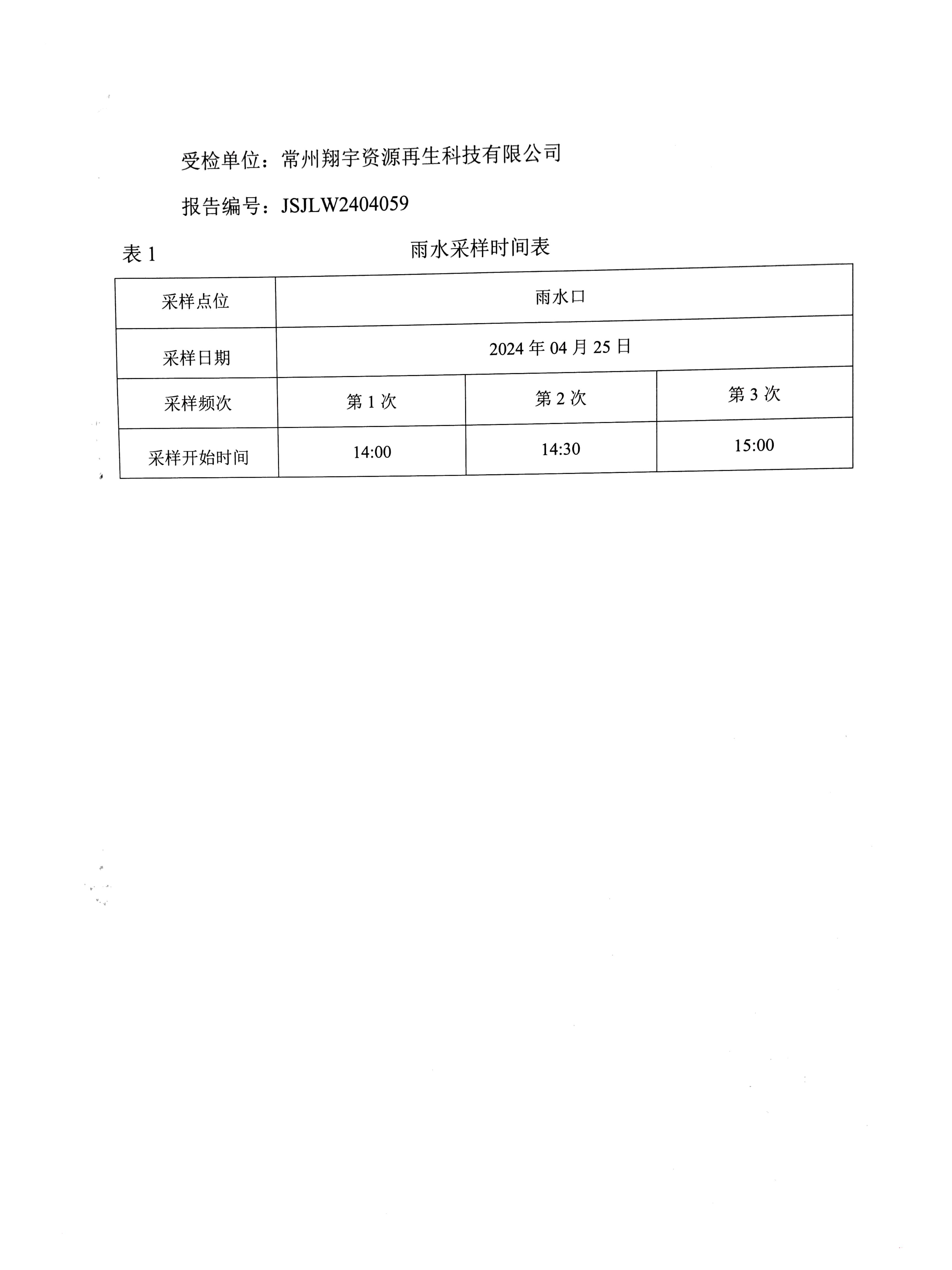
2024年4月25日雨水检测报告
发布时间:2024-11-08 15:14:56 点击次数:
上一条:
2024年4月25日废水,地下水,废气,噪声,土壤检测报告
下一条:暂无记录!